
Stamtec’s warm and hot forging presses provide the force, rigidity, and thermal capability required for forming components that cannot be produced through cold forging alone. By shaping material at elevated temperatures, these presses enable deeper deformation, improved material flow, and the production of larger or more complex geometries while maintaining excellent structural integrity.
These presses are widely used across automotive, industrial, appliance, medical, and defense applications, where part strength, durability, and controlled grain flow are essential. Stamtec’s forging lineup includes the WF1 Series, WF2 Series, and KW1 Semi‑Hot Knuckle‑Joint Presses, offering a range of capacities, bed sizes, and forming characteristics to support diverse production requirements.
The WF1 and WF2 Series are straight‑side forging presses designed for elevated‑temperature forming of medium to large components. These presses provide high rigidity, stable slide guidance, and consistent forming force across a wide range of warm and hot forging applications.
Warm/hot forging improves material flow, reduces forming loads, and produces near‑net‑shape parts with excellent mechanical properties. The WF1 and WF2 platforms support deeper deformation, larger part sizes, and high‑strength materials that cannot be shaped cold.
Model | WF1‑400 | WF1‑600 | WF2‑800 | WF2‑1000 | WF2‑1600 | WF2‑2000 | WF2‑3200 |
Capacity (US tons) | 440 | 661 | 881 | 1102 | 1763 | 2204 | 3527 |
Capacity (metric tons) | 400 | 600 | 800 | 1000 | 1600 | 2000 | 3200 |
Stroke (in.) | 6.89 | 7.87 | 9.84 | 11.81 | 12.99 | 12.99 | 14.17 |
Stroke (mm) | 175 | 200 | 250 | 300 | 330 | 330 | 360 |
Speed (SPM) | 100 | 85 | 75 / 60 | 70 / 55 | 70 / 50 | 48 | 42 |
Slide Adjustment (in.) | 0.39 | 0.39 | 0.39 | 0.39 | 0.39 | 0.39 | 0.39 |
Die Height (in.) | 19.88 | 21.65 | 25.59 | 27.56 | 31.5 | 35.43 | 47.24 |
Slide Area (in.) | 23.43×21.85 | 27.35×25.04 | 31.50×29.53 | 35.43×34.65 | 37.40×35.43 | 51.18×47.24 | 61.02×57.09 |
Bolster Area (in.) | 30.32×33.07 | 34.65×34.65 | 38.58×39.37 | 39.37×41.34 | 49.21×41.34 | 57.09×55.11 | 68.90×62.99 |
Bolster Thickness (in.) | 4.72 | 4.72 | 6.3 | 6.3 | 7.87 | 11.81 | 11.81 |
Side Opening (in.) | 25.59×17.72 | 27.56×19.69 | 31.50×19.69 | 35.43×25.59 | 39.37×29.53 | 43.31×31.50 | 47.24×33.47 |
Main Motor (HP × poles) | 37×6 | 45×6 | 55×6 | 75×6 | 110×6 | 90×6 | 132×6 |
Slide Knock‑Out (ton/mm) | 4/20 | 6/20 | 8/30 | 10/35 | 16/40 | 20/45 | 32/45 |
Bed Knock‑Out (ton/mm) | 8/40 | 10/40 | 15/50 | 20/60 | 30/65 | 40/70 | 65/70 |
Download the Stamtec 2-Point Gap Frame Press G2 Series Catalog
The KW1 Series consists of knuckle‑joint forging presses designed for semi‑hot forming and thick‑material shaping. The knuckle‑joint mechanism slows slide velocity near bottom dead center and provides a long dwell period, improving precision and reducing snap‑through forces.
These presses are effective for forging and drawing thick sheet material, especially when paired with feeder or transfer systems. The wet clutch system provides high torque at low air pressure, low vibration, and long service life.
Model | KW1‑300 | KW1‑400 | KW1‑500 | KW1‑650 | KW1‑800 | KW1‑1000 |
Capacity (US tons) | 330.69 | 440.93 | 551.16 | 716.5 | 881.85 | 1102.31 |
Capacity (metric tons) | 300 | 400 | 500 | 650 | 800 | 1000 |
Rated Tonnage Point (in.) | 0.32 | 0.32 | 0.32 | 0.32 | 0.32 | 0.32 |
Stroke (in.) | 4.72 | 4.72 | 5.91 | 5.91 | 9.84 | 7.87 (9.84) |
Speed (SPM) | 20–40 (20–45) | 20–40 (20–45) | 20–40 | 20–40 | 20–35 | 20–40 (20–35) |
Slide Adjustment (in.) | 0.59 | 0.59 | 0.59 | 0.59 | 0.59 | 0.59 |
Die Height (in.) | 17.72 | 17.72 | 17.72 | 17.72 | 17.72 | 17.72 |
Bolster Area (in.) | 43.31×37.40 | 43.31×37.40 | 49.21×39.37 | 59.06×39.37 | 59.06×39.37 | 62.99×39.37 |
Bolster Thickness (in.) | 7.09 | 7.09 | 8.66 | 8.66 | 9.84 | 9.84 |
Slide Area (in.) | 43.31×33.47 | 43.31×33.47 | 49.21×39.37 | 59.06×39.37 | 59.06×39.37 | 62.99×39.37 |
Working Height (in.) | 35.43 | 35.43 | 46.65 | 49.8 | 51.18 | 22.21 |
Slide Opening (in.) | 23.62×22.44 | 23.62×22.44 | 23.62×22.44 | 23.62×22.44 | 23.62×30.32 | 23.62×27.56 |
Max Upper Die Weight (lbs) | 2204.62 | 2204.62 | 3306.93 | 3858.09 | 3858.09 | 3858.09 |
Main Motor (HP × poles) | 30×4 | 30×4 | 50×4 | 60×4 | 75×4 | 100×4 |
Download the Stamtec KW1 Semi‑Hot Forging Press Catalog
Category | WF1 Series | WF2 Series | KW1 Semi‑Hot Series |
Forming Temperature | Warm / Hot | Warm / Hot | Semi‑Hot |
Drive System | Eccentric | Eccentric | Knuckle‑Joint |
Tonnage Range | 400–600 tons | 800–3200 tons | 300–1000 tons |
Typical Part Size | Medium | Medium–Large | Small–Medium (thick material) |
Stroke Range | 6.89–7.87 in | 9.84–14.17 in | 4.72–9.84 in |
Speed Range | 85–100 SPM | 42–75 SPM | 20–45 SPM |
Key Strength | Stable warm/hot forming | High‑capacity deep deformation | Precision forming with long dwell |
Ideal For | Automotive, appliance, industrial | Large automotive & structural | Coining, thick‑material shaping |
Best for manufacturers producing medium‑sized parts requiring elevated‑temperature forming with moderate tonnage and compact footprint.
Ideal for large components, deep deformation, and high‑strength materials requiring the highest capacities and largest bed sizes.
Best for semi‑hot forming, coining, and applications requiring long dwell, reduced snap‑through, and precise control at elevated temperatures.
Stamtec’s 2‑Point and 4‑Point Eccentric Geared Straight Side Presses are engineered for the most demanding metal stamping applications—where die size, part geometry, and forming complexity exceed the capabilities of conventional crankshaft presses. Built on ultra‑rigid straight‑side frames and powered by a high‑torque eccentric‑geared drive system, these presses deliver exceptional slide stability, precise tracking, and consistent forming accuracy across the entire stroke.
Designed to run large‑dimension dies, both left‑to‑right and front‑to‑back, these presses excel in progressive die, transfer die, and deep‑formed part applications. Their multi‑point drive architecture maintains slide parallelism and minimizes deflection, even under heavy off‑center loads.
The 4‑point series is specifically engineered for very large dies and complex transfer applications, offering the widest bed and slide areas in Stamtec’s mechanical press lineup .
Stamtec also integrates seamlessly with leading transfer automation providers—including HMS, Wayne Trail, Linear, Gudel, Atlas, AP&T, and Nobel—to deliver complete, high‑throughput transfer press systems. These systems can reduce scrap by up to 17%, since transfer dies do not require a scrap skeleton to move parts through the die .
Stamtec’s 2‑Point Eccentric Geared Straight Side Presses are designed for applications requiring a longer bed area, stable slide guidance, and high torque at low inertia. These presses are ideal for:
These presses provide the stability and accuracy needed for demanding progressive die work while maintaining a more compact footprint than 4‑point models.
Stamtec’s 4‑Point Eccentric Geared Straight Side Presses are engineered for very large dies, deep‑formed parts, and complex transfer applications. With four connection points and a massive straight‑side frame, these presses maintain exceptional slide parallelism and stability across the entire bed.
They are ideal for:
These presses are the top choice for manufacturers producing large, complex, or deep‑formed parts at high volumes.
Both 2‑point and 4‑point eccentric‑geared presses can be fully integrated into a complete transfer press system. Stamtec works directly with your preferred transfer automation provider to ensure seamless integration with:
This integration enables higher throughput, reduced scrap, and the ability to run complex multi‑station dies efficiently.
Feature / Capability | 2‑Point Eccentric Geared Press | 4‑Point Eccentric Geared Press |
Best For | Long, narrow dies; progressive dies | Very large dies; deep‑formed parts; transfer dies |
Drive System | Eccentric‑geared, 2‑point | Eccentric‑geared, 4‑point |
Slide Stability | High | Maximum |
Off‑Center Load Handling | Strong | Exceptional |
Bed Size | Large | Very large (L‑R & F‑B) |
Ideal Applications | Progressive dies, long parts | Transfer dies, deep draws, large complex parts |
Transfer System Integration | Supported | Optimized for transfer systems |
Scrap Reduction | Moderate | Up to 17% scrap savings (no scrap skeleton needed) |
Gear Construction | Precision‑cut eccentric gears | Precision‑cut eccentric gears (larger format) |
Slide Guidance | Plunger guides at each connection | Plunger guides at all four connections |
Noise & Smoothness | Low noise, smooth operation | Low noise, smooth operation (double‑helical gearing) |
Typical Use Cases | Medium‑to‑large parts | Large, odd‑shaped, deep‑formed, multi‑station parts |
Download the Stamtec 2-Point Gap Frame Press G2 Series Catalog
Stamtec’s 1‑Point Straight Side Presses are engineered for applications that demand exceptional rigidity, precise slide guidance, and consistent accuracy under full‑tonnage loads. Built on heavy, stress‑relieved steel frames with long, precision‑guided slides, these presses maintain alignment and minimize deflection even during demanding high‑speed or high‑energy production.
To support a wide range of part sizes, forming requirements, and production environments, Stamtec offers three distinct straight‑side series, each optimized for different performance needs:
A robust, heavy‑duty platform designed for small to medium parts that require high tonnage, high flywheel energy, and maximum frame rigidity. The S1 Series uses eight full‑length, 90‑degree gibs for exceptional slide control and accuracy, making it ideal for challenging forming applications.
A space‑efficient straight‑side design that delivers reduced noise, reduced vibration, and minimal angular deflection. The SC1 Series provides precision slide guidance, excellent off‑center load resistance, and a rigid frame structure—ideal for manufacturers who need straight‑side accuracy in a smaller footprint.
A high‑precision platform engineered for demanding applications requiring minimal frame deflection, superior slide alignment, and reduced vibration. The ST1 Series combines a rigid steel frame, high‑torque wet clutch and brake, and box‑type six‑point gibs to deliver consistent accuracy and long die life.
Together, these three series give manufacturers the flexibility to choose the straight‑side configuration that best matches their part complexity, production volume, and performance requirements—while benefiting from Stamtec’s proven engineering, reliability, and long‑term durability.
The Stamtec S1 Series is a heavy‑duty family of single‑crank straight side presses engineered for applications that require high tonnage, high flywheel energy, and maximum frame rigidity. Designed for small to medium‑sized parts that demand exceptional accuracy and forming stability, the S1 Series delivers the strength and precision needed for challenging production environments.
A fully stress‑relieved, one‑piece welded steel frame minimizes deflection under load, while eight full‑length, 90‑degree gibs with nickel‑bronze wear plates provide superior slide guidance and alignment. The result is consistent part quality, long die life, and reliable performance across a wide range of stamping operations.
Tonnage Range: 165–2,650 tons Typical Delivery: 24–28 weeks
The heavy, stress‑relieved steel frame is engineered to resist deflection at full tonnage, improving part accuracy and extending die life.
The S1 Series uses eight long, precision‑machined gibs with nickel‑bronze wear plates to maintain slide alignment and minimize lateral thrust, even under off‑center loading.
The overload system relieves excess tonnage in milliseconds, stopping the press immediately to protect both tooling and press components.
Designed for applications requiring high flywheel energy, the S1 Series delivers strong forming capability for thicker materials, higher draw depths, and demanding tooling.
A modern press control system provides programmable limit switches, die protection inputs, counters, and clear status/fault messaging.
Download the Stamtec 1-Point Straight Press S1 Information PDF
The Stamtec SC1 Series is a family of single‑crank straight side precision presses designed for manufacturers who need the rigidity and accuracy of a straight‑side press in a more compact footprint. Engineered with a heavy fabricated steel frame, cast slide, and long box‑type gibs, the SC1 Series delivers exceptional slide alignment, reduced angular deflection, and stable performance under off‑center loading.
With tonnages from 80 to 300 tons, the SC1 Series is ideal for precision stamping, progressive die work, and applications requiring consistent accuracy, low vibration, and minimal frame deflection. Its quiet, smooth operation and user‑friendly controls make it a strong fit for high‑volume production environments.
The SC1 frame is fully stress‑relieved and engineered to minimize deflection, ensuring accurate stampings and long die life even at full tonnage.
Full‑length, centered gibs maintain precise slide alignment, reduce lateral thrust, and improve performance under off‑center loads.
A wet clutch/brake system provides high torque at low air pressure, reduced lining wear, low vibration, and excellent heat dissipation.
The cast slide and precision‑machined components deliver stable, repeatable motion for demanding forming applications.
Standard controls include crank angle and SPM displays, programmable limit switches, die protection inputs, counters, and a clear operator interface.
Note: The SC1 catalog uses metric units. Our table has been converted all metric units to imperial‑unit equivalents.
Model | Type | Capacity (tons) | Stroke (in.) | SPM | Die Height (in.) | Slide Adj. (in.) | Max Upper Die Wt. (lbs.) |
SC1‑80 | S / H / L | 80 | 3.94 / 2.36 / 6.30 | 55–110 / 75–150 / 40–75 | 11.81 / 12.99 / 12.99 | 3.15 | 1,212 |
SC1‑110 | S / H / L | 110 | 4.33 / 2.76 / 7.09 | 50–100 / 65–135 / 30–65 | 12.60 / 13.78 / 13.78 | 3.54 | 1,367 |
SC1‑160 | S / H / L / XL | 160 | 5.12 / 3.15 / 7.87 / 9.84 | 40–85 / 55–115 / 25–50 / 20–45 | 13.78 / 15.75 / 17.72 / 17.72 | 3.94 | 1,543 |
SC1‑200 | S / H / L / XL | 200 | 5.91 / 3.74 / 7.87 / 9.84 | 35–70 / 45–95 / 20–45 / 20–40 | 16.14 / 17.72 / 17.72 / 17.72 | 4.33 | 1,764 |
SC1‑260 | S / H / L / XL | 260 | 7.09 / 3.94 / 9.84 / 11.81 | 30–60 / 40–75 / 20–40 / 20–35 | 18.11 / 19.69 / 19.69 / 19.69 | 4.72 | 1,764 |
SC1‑300 | XL | 300 | 11.81 | 20–35 | 21.65 | 4.72 | 1,984 |
Model | Bolster Area (in.) | Slide Area (in.) |
SC1‑80 | 29.53×18.11 / 29.53×23.62 | 22.05×18.11 |
SC1‑110 | 35.43×20.47 / 35.43×26.77 | 25.59×20.47 |
SC1‑160 | 39.37×22.83 / 39.37×29.53 | 27.56×22.83 |
SC1‑200 | 45.28×25.59 / 45.28×33.07 | 33.47×25.59 |
SC1‑260 | 51.18×27.56 / 51.18×35.43 | 36.22×27.56 |
SC1‑300 | 62.99×39.37 | 55.12×35.43 |
Model | Main Motor (HP) | Slide Adj. Motor (HP) |
SC1‑80 | 10 | 0.5 |
SC1‑110 | 15 | 0.5 |
SC1‑160 | 20 | 1 |
SC1‑200 | 20 | 1 |
SC1‑260 | 25 | 2 |
SC1‑300 | 30 | 3 |
The Stamtec ST1 Series is a premium line of single‑crank straight side precision presses engineered for applications requiring exceptional accuracy, minimal frame deflection, and stable performance under off‑center loads. With a fully stress‑relieved steel frame, box‑type six‑point gibs, and a high‑torque wet clutch and brake, the ST1 Series delivers consistent forming precision across a wide range of materials and tooling.
Available from 80 to 300 tons, the ST1 Series is ideal for precision stamping, progressive dies, and applications where part quality and die life are critical.
The ST1 frame is engineered to resist deflection at full tonnage, ensuring accurate stampings and long die life.
Full‑length gibs maintain slide alignment, reduce lateral thrust, and improve performance under off‑center loads.
Provides strong torque at low air pressure, reduced lining wear, low vibration, and excellent heat dissipation.
The ST1 delivers smooth, stable motion with minimal angular deflection, ideal for high‑precision applications.
Standard controls include a color touchscreen, programmable limit switches, die protection inputs, counters, and diagnostics.
Model | Type | Capacity (tons) | Stroke (in.) | SPM | Die Height (in.) | Slide Adj. (in.) | Max Upper Die Wt. (lbs.) |
ST1‑80 | S / H / L | 88 | 3.94 / 2.36 / 5.91 | 80 / 100 / 60 | 13.98 / 14.76 / 12.99 | 3.15 | 761 |
ST1‑110 | S / H / L | 121 | 4.33 / 2.76 / 7.09 | 70 / 90 / 50 | 15.16 / 15.95 / 13.78 | 3.54 | 992 |
ST1‑160 | S / H / L | 176 | 5.12 / 3.15 / 7.78 | 60 / 80 / 45 | 17.13 / 18.11 / 15.75 | 3.94 | 1,190 |
ST1‑200 | S / H / L | 220 | 5.91 / 3.94 / 7.87 | 50 / 65 / 35 | 18.70 / 19.69 / 17.72 | 4.33 | 1,764 |
ST1‑260 | S / H / L | 287 | 7.09 / 3.94 / 9.84 | 45 / 55 / 30 | 19.10 / 20.67 / 17.72 | 4.72 | 1,764 |
ST1‑300 | S / XL | 331 | 7.09 / 11.81 | 45 / 30 | 24.02 / 21.65 | 4.72 | 1,764 |
Model | Bolster Area (in.) | Slide Area (in.) |
SC1‑80 | 29.53×18.11 / 29.53×23.62 | 22.05×18.11 |
SC1‑110 | 35.43×20.47 / 35.43×26.77 | 25.59×20.47 |
SC1‑160 | 39.37×22.83 / 39.37×29.53 | 27.56×22.83 |
SC1‑200 | 45.28×25.59 / 45.28×33.07 | 33.47×25.59 |
SC1‑260 | 51.18×27.56 / 51.18×35.43 | 36.22×27.56 |
SC1‑300 | 62.99×39.37 | 55.12×35.43 |
Model | Main Motor (HP) | Slide Adj. Motor (HP) |
ST1‑80 | 10 | 0.5 |
ST1‑110 | 15 | 0.5 |
ST1‑160 | 20 | 1 |
ST1‑200 | 20 | 1 |
ST1‑260 | 25 | 1.5 |
ST1‑300 | 30 | 1.5 |
Stamtec’s 1‑Point Gap Frame Presses deliver the durability, precision, and long service life required for today’s stamping operations. Built with a low‑inertia drivetrain and premium‑grade components, these presses offer smooth, quiet operation and tight running tolerances—ideal for a wide range of metal forming applications.
PRI is proud to offer Stamtec’s complete 1‑point gap frame lineup, including the OCP Series and the GL1 Link Motion Series, both engineered for reliability and high‑speed performance.
Stamtec’s 1‑Point Gap Frame Presses are engineered for high‑speed production of small and medium‑sized stampings, offering the ideal balance of rigidity, accuracy, and long‑term reliability. These presses are built on a compact, stress‑relieved C‑frame structure that minimizes deflection, maintains slide alignment, and delivers consistent part quality—even at high single‑stroke or continuous production rates.
To meet a wide range of forming requirements, the 1‑point platform is available in two distinct series, each optimized for different applications:
A robust, versatile line designed for general stamping, blanking, and progressive die work. The OCP Series uses a traditional crank‑motion drive and a high‑performance wet clutch and brake system to deliver smooth operation, fast cycling speeds, and long service life.
A precision‑focused line featuring link‑motion drive technology that slows the slide during the working portion of the stroke. This controlled forming motion improves material flow, reduces impact and vibration, enhances part quality, and extends die life—making the GL1 Series ideal for deeper or more complex forming applications.
Together, these two series give manufacturers the flexibility to choose the forming characteristics, speed profile, and performance features that best match their production needs—all within the proven reliability of Stamtec’s 1‑point gap frame platform.
Information on each series is detailed below.
The Stamtec OCP Series is a proven family of single‑point gap frame mechanical presses designed for high‑speed production of small and medium‑sized stampings. These presses combine a rigid, stress‑relieved steel frame with a high‑performance wet clutch and brake system, long precision gibs, and a compact footprint that allows more capacity in less floor space.
With models ranging from 35 to 300 tons, the OCP Series delivers the accuracy, reliability, and uptime required in modern stamping environments—whether running blanks or coil stock, in single‑stroke or continuous modes.
The wet clutch and brake system delivers full torque at lower air pressure, reducing wear and air consumption. The enclosed oil bath dissipates heat efficiently, supporting higher single‑stroke rates and extending lining life.
A rapid‑response overload system instantly relieves excess tonnage and stops the press to protect tooling and press components. Resetting is simple, allowing operators to return to production quickly.
The one‑piece welded steel frame minimizes deflection under load, improving part accuracy and extending die life. The compact design allows more presses to fit within the same floor space compared to traditional C‑frame machines.
Extra‑long gibs guide the slide throughout the working stroke, maintaining alignment and eliminating lateral thrust—even under off‑center loading.
Standard presses include a modern touchscreen control system with full programmability for setup, diagnostics, and safety. Controls from major brands such as Allen‑Bradley, Siemens, Mitsubishi, Wintriss, and Link are available.
All models and types (S, H, V) included.
Specification | 35‑S | 35‑H | 35‑V | 45‑S | 45‑H | 45‑V | 60‑S | 60‑H | 60‑V | 80‑S | 80‑H | 80‑V |
Capacity (tons) | — | 38.5 | — | — | 49.5 | — | — | 66 | — | — | 88 | — |
Rated tonnage point (in.) | 0.13 | 0.09 | 0.13 | 0.13 | 0.09 | 0.13 | 0.16 | 0.09 | 0.16 | 0.2 | 0.13 | 0.2 |
Stroke (in.) | 2.36 | 1.57 | 3.54 | 2.76 | 1.97 | 4.33 | 3.15 | 1.97 | 5.11 | 3.84 | 2.36 | 5.91 |
Speed (SPM) | 70–135 | 90–180 | 50–95 | 65–130 | 85–175 | 50–95 | 60–120 | 80–165 | 40–85 | 50–100 | 65–140 | 40–75 |
Die height (in.) | 9.84 | 10.24 | 9.25 | 11.42 | 11.81 | 10.63 | 12.8 | 13.39 | 11.81 | 13.98 | 14.76 | 12.99 |
Max upper die weight (lbs.) | 661 | 661 | 661 | 661 | 661 | 661 | — | 661 | — | 760 | 760 | 760 |
Slide adjustment (in.) | — | 1.97 | — | — | 2.36 | — | — | 2.76 | — | — | 3.15 | — |
Bolster area (in.) | 30.71×13.39 | same | same | — | 33.47×17.32 | same | — | 35.43×20.47 | same | — | 39.37×23.62 | — |
Bolster thickness (in.) | 2.76 | same | same | — | 3.54 | same | — | 3.54 | same | — | 3.94 | — |
Slide area (in.) | — | 14.96×12.60 | — | — | 16.93×13.78 | — | — | 19.69×15.75 | — | — | 22.05×18.11 | — |
Main motor (HP) | — | 5×4 | — | — | 5×4 | — | — | 7.5×4 | — | — | 10×4 | — |
Working height (in.) | — | 31.5 | — | — | 31.5 | — | — | 31.5 | — | — | 32.68 | — |
Slide adj. motor | — | Manual | — | — | Manual | — | — | 0.4×4 | — | — | 0.4×4 | — |
Specification | 110‑S | 110‑H | 110‑V | 160‑S | 160‑H | 160‑V | 200‑S | 200‑H | 200‑V | 260‑S | 260‑H | 260‑V |
Capacity (tons) | — | 121.25 | — | — | 176.37 | — | — | 220.46 | — | — | 286.6 | — |
Rated tonnage point (in.) | 0.2 | 0.13 | 0.2 | 0.24 | 0.16 | 0.24 | 0.24 | 0.16 | 0.24 | 0.24 | 0.16 | 0.24 |
Stroke (in.) | 4.33 | 2.76 | 7.09 | 5.12 | 3.15 | 7.87 | 5.91 | 3.94 | 7.87 | 7.09 | 3.94 | 9.84 |
Speed (SPM) | 45–90 | 60–130 | 30–65 | 35–70 | 50–100 | 20–50 | 35–70 | 45–95 | 20–50 | 30–60 | 35–75 | 20–40 |
Die height (in.) | 15.16 | 15.95 | 13.78 | 17.13 | 18.11 | 15.75 | 18.7 | 19.69 | 17.72 | 19.1 | 20.67 | 17.72 |
Max upper die weight (lbs.) | 992 | 992 | — | — | 1190 | — | 1763 | 1763 | — | 1763 | 1763 | — |
Slide adjustment (in.) | — | 3.54 | — | — | 3.94 | — | — | 4.33 | — | — | 4.72 | — |
Bolster area (in.) | 45.28×26.77 | same | — | 49.21×29.92 | same | — | 55.12×32.28 | same | — | 59.06×33.07 | same | — |
Bolster thickness (in.) | 4.72 | same | same | 5.91 | same | same | 6.3 | same | — | 7.09 | same | — |
Slide area (in.) | 25.59×20.47 | same | — | 27.56×22.84 | same | — | 33.47×25.59 | same | — | 36.22×27.56 | same | — |
Main motor (HP) | — | 15×4 | — | — | 20×4 | — | — | 20×4 | — | — | 25×4 | — |
Working height (in.) | — | 33.27 | — | — | 36.02 | — | — | 40.16 | — | — | 44.1 | — |
Slide adj. motor | — | 0.4×4 | — | — | 0.75×4 | — | — | 0.75×4 | — | — | 1.5×4 | — |
Download the Stamtec 1-Point Gap Frame Press OCP Series Catalog
The Stamtec GL1 Series is a family of single‑point, C‑frame mechanical presses engineered with link‑motion drive technology to deliver superior forming performance, improved part quality, and extended die life. Designed for small to medium‑sized stampings that require deeper draws or more complex forming, the GL1 Series combines slower working‑stroke velocity with high overall production rates—making it an ideal choice for demanding applications.
With models ranging from 88 to 220 tons, the GL1 Series provides the forming control of a link‑motion press with the speed, rigidity, and reliability expected from Stamtec’s gap‑frame platform.
Link‑motion technology modifies the slide velocity profile so the slide slows down significantly—up to 40%—during the working portion of the stroke. This slower forming speed allows the material to flow more effectively, reduces shock and snap‑through, and minimizes punch penetration forces. Meanwhile, the non‑working portion of the stroke accelerates to maintain high production rates.
The result is a press that delivers the following:
The defining feature of the GL1 Series, link‑motion technology improves forming control, reduces shock loads, and enhances part consistency—especially in deeper or more complex forming operations.
A wet clutch and brake system provides strong torque at lower air pressure, reduces lining wear, and dissipates heat efficiently for long service life and stable high‑speed operation.
A fast‑acting overload system instantly relieves excess tonnage to protect the press and tooling. Resetting is simple and quick, minimizing downtime.
The one‑piece welded steel frame resists deflection and maintains slide alignment under load, ensuring consistent part accuracy and extended die life.
Long, precision‑machined gibs guide the slide throughout the stroke, maintaining alignment even under off‑center loading.
Standard presses include a touchscreen control system with programmable setup, diagnostics, and safety functions. Controls from major brands—including Wintriss, Link, Allen‑Bradley, Siemens, and Mitsubishi—are available.
All models and both stroke types (B and D) included.
Specification | GL1‑80 B | GL1‑80 D | GL1‑110 B | GL1‑110 D | GL1‑160 B | GL1‑160 D | GL1‑200 B | GL1‑200 D |
Capacity (tons) | 88 | 88 | 121 | 121 | 176 | 176 | 220 | 220 |
Rated tonnage point (in.) | 0.2 | 0.2 | 0.2 | 0.2 | 0.24 | 0.24 | 0.24 | 0.24 |
Stroke length (in.) | 3.94 | 6.3 | 3.94 | 7.09 | 5.12 | 7.87 | 5.91 | 7.87 |
Fixed speed (SPM) | 60 | 60 | 50 | 50 | 45 | 45 | 35 | 35 |
Variable speed (SPM) | 55–110 | 40–75 | 50–100 | 30–65 | 40–85 | 25–50 | 35–70 | 20–45 |
Die height (in.) | 11.81 | 12.99 | 12.6 | 13.78 | 13.78 | 17.72 | 16.14 | 17.72 |
Max upper die weight (lbs.) | 1213 | 1213 | 1367 | 1367 | 1543 | 1543 | 1764 | 1764 |
Slide adjustment (in.) | 3.15 | 3.15 | 3.54 | 3.54 | 3.94 | 3.94 | 4.33 | 4.33 |
Bolster area (in.) | 39.37×18.11 | 39.37×23.62 | 45.28×20.47 | 45.28×23.62 | 49.21×23.62 | 49.21×29.92 | 55.12×26.77 | 55.12×32.28 |
Bolster thickness (in.) | 3.94 | 3.94 | 4.72 | 4.72 | 5.91 | 5.91 | 6.69 | 6.69 |
Slide area (in.) | 22.05×18.11 | 22.05×18.11 | 25.59×20.47 | 25.59×20.47 | 27.56×22.83 | 27.56×22.83 | 33.47×25.59 | 33.47×25.59 |
Main motor (HP) | 10×4 | 10×4 | 15×4 | 15×4 | 15×4 | 15×4 | 15×4 | 20×4 |
Slide adjust motor (kW) | 0.4×4 | 0.4×4 | 0.4×4 | 0.4×4 | 0.5×4 | 0.5×4 | 0.75×4 | 0.75×4 |
Download the Stamtec 1-Point Gap Frame Press GL1 Series Catalog
The Stamtec G2 Series is a family of two‑point, C‑frame mechanical presses engineered for applications that require a longer bed, greater slide stability, and precise control across the entire working stroke. Designed for stamping long or narrow parts, or for progressive dies with multiple stations, the G2 Series delivers the rigidity and accuracy typically associated with straight‑side presses—at a more economical price point.
With models ranging from 110 to 300 tons, the G2 Series provides the bed size, slide stability, and forming accuracy needed for demanding production environments running blanks or coil stock, in single‑stroke or continuous modes.
The dual‑crank design distributes force evenly across the slide, making the G2 Series ideal for:
The heavy, one‑piece welded steel frame is fully stress‑relieved to minimize deflection and maintain accuracy at full tonnage. This rigidity improves part quality and extends die life.
Long, centered gibs guide the slide throughout the stroke, ensuring:
This guidance system provides better control than rear‑mounted gibs.
The wet clutch and brake system delivers strong torque at lower air pressure, with low inertia and excellent heat dissipation. Benefits include:
The overload system relieves excess tonnage in milliseconds and triggers an immediate stop to protect the press and tooling. It automatically re‑pressurizes when the slide is returned to top of stroke.
The removable slide plate allows easy integration of mechanical or pneumatic knockout devices, supporting a wide range of tooling requirements.
Standard presses include a touchscreen control system with programmable limit switches, die protection inputs, counters, diagnostics, and multiple operating modes. Controls from major brands—including Allen‑Bradley, Siemens, Mitsubishi, Wintriss, and Link—are available.
All models and both stroke types (V and H) included.
Specification | G2‑110 V | G2‑110 H | G2‑160 V | G2‑160 H | G2‑200 V | G2‑200 H | G2‑250 V | G2‑250 H | G2‑300 V | G2‑300 H |
Capacity (tons) | 121 | 121 | 176 | 176 | 220 | 220 | 275 | 275 | 330 | 330 |
Rated tonnage point (in.) | 0.196 | 0.118 | 0.236 | 0.118 | 0.236 | 0.118 | 0.275 | 0.118 | 0.28 | 0.138 |
Stroke length (in.) | 7.08 | 4.33 | 7.87 | 5.11 | 9.84 | 5.9 | 11.02 | 5.9 | 11.02 | 6.69 |
Speed (SPM) | 30–50 | 50–100 | 30–55 | 40–85 | 25–45 | 35–70 | 20–35 | 35–70 | 20–35 | 30–60 |
Die height (in.) | 15.75 | 13.77 | 17.7 | 15.75 | 19.68 | 17.72 | 21.65 | 17.72 | 21.65 | 21.65 |
Max upper die weight (lbs.) | 1764 | 1764 | 2800 | 2800 | 3241 | 3241 | 3440 | 3440 | TBD | TBD |
Slide adjustment (in.) | 3.93 | 3.93 | 3.93 | 3.93 | 4.72 | 4.72 | 4.72 | 4.72 | 4.72 | 4.72 |
Bolster area (in.) | 70.86×25.59 | same | 78.73×29.92 | same | 94.48×33.07 | same | 106.29×35.43 | same | 106.30×35.43 | same |
Bolster thickness (in.) | 5.11 | 5.11 | 5.9 | 5.9 | 6.29 | 6.29 | 6.26 | 6.26 | 7.48 | 7.48 |
Slide plate area (in.) | 55.11×19.68 | same | 62.99×21.65 | same | 72.83×25.59 | same | 82.67×27.55 | same | 94.01×31.50 | same |
Slide plate thickness (in.) | 2.75 | 2.75 | 2.75 | 2.75 | 3.74 | 3.74 | 3.74 | 3.74 | 3.74 | 3.74 |
Shank hole | Ø1.96 × 12.59 | same | Ø1.96 × 13.77 | same | Ø1.96 × 14.76 | same | Ø1.96 × 17.71 | same | TBD | TBD |
Main motor (HP) | 15×4 | 15×4 | 20×4 | 20×4 | 20×6 | 20×6 | 25×6 | 25×6 | 30×6 | 30×6 |
Slide adjust motor (HP) | 1×4 | 1×4 | 1×4 | 1×4 | 2×4 | 2×4 | 2×4 | 2×4 | 2×4 | 2×4 |
Air pressure required (PSI) | 71.12 | 71.12 | 71.12 | 71.12 | 71.12 | 71.12 | 71.12 | 71.12 | 71.12 | 71.12 |
Download the Stamtec 2-Point Gap Frame Press G2 Series Catalog
COLT Automation Ltd. has been designing, engineering, and manufacturing heavy-duty coil processing and press feed line equipment since 1965. Their feed line platforms are built for high-speed stamping, blanking, cut-to-length (CTL) coil processing, and other press-fed operations.
These systems automate repetitive tasks, reduce manual handling, improve accuracy, and optimize press throughput.
Component
Uncoiler / Reel
Coil Car / Staging
Peeler / Threader
Straightener
Servo Feeder
Shear / Cutter
Stacker (Optional)
Coil Width: Typical range: 6 in (150 mm) to 84 in (2135 mm)
Coil Weight: Typical range: 1,000 lb (455 kg) to 70,000+ lb (31,750+ kg)
COLT Automation provides comprehensive product support and warranty coverage (terms vary by system and components). Their long-standing reputation and global installed base reflect a focus on durability, serviceability, and long-term performance.
Linear’s Press Automation solutions are engineered to deliver fast, precise, and reliable part transfer across a wide range of stamping applications. Built on decades of proven performance, these systems offer flexible mounting options, servo‑driven motion control, and robust mechanical design to support higher throughput, reduced vibration, and seamless integration with new or existing presses. Linear provides multiple transfer platforms—each optimized for specific press configurations, payload requirements, and production environments.
System Overview Linear’s Front and Rear Style Transfer Systems are among the industry’s most versatile and robust automation platforms. The FR4P Series supports larger payloads and can mount to the front and rear of virtually any press, including presses with small or no windows. Fully servo‑controlled axes deliver high speed, accuracy, and 100% programmable motion profiles.
Ideal for heavy-duty stamping environments requiring:
System Overview Linear’s Window Mounted Transfer Systems have earned a reputation for long‑term reliability and performance. Designed for presses with larger window openings, the WM Series offers excellent visibility, reduced front‑to‑back footprint, and multiple mounting configurations to suit a wide range of production environments.
Best suited for:
System Overview The Bolster Mounted Series installs directly onto the press bolster, allowing the automation to operate closer to the tooling. This configuration reduces vibration, improves stability, and minimizes the space required around the press.
Great for:
System Overview Linear’s Crossbar Transfer System is engineered for tandem press applications requiring high speed and long reach. Based on the proven Strothmann CompactTransfer platform, this system offers six degrees of freedom, load capacities up to 100 kg, and run rates up to 15 SPM.
Ideal for:
Speak with a PRI automation specialist to design a Linear transfer solution tailored to your press, tooling, and throughput goals.
Linear’s Vision Robotics product family delivers advanced, camera‑guided automation engineered to enhance precision, throughput, and flexibility across modern manufacturing environments. Built on Linear’s proven expertise in custom automation, robotic part‑handling, bin‑picking, and quality‑control systems, these solutions integrate high‑performance machine vision with robust mechanical platforms to automate complex tasks with exceptional accuracy and repeatability. Each system is designed to reduce manual intervention, accommodate part variability, and support seamless integration into new or existing production lines.
LA‑RobotX is a high‑precision robotic arm designed for applications requiring accurate part location, orientation, and placement. Integrated machine vision enables real‑time path correction and multi‑axis control, making it ideal for intricate assembly and precision handling tasks.

LA‑ConveyorMaster combines intelligent vision tracking with configurable conveyor architecture to deliver reliable, automated material movement between stations. Designed for seamless integration with robotic cells and press‑to‑process workflows, it supports flexible layouts and scalable production environments.

LA‑VisionInspect provides automated, high‑resolution inspection for inline or end‑of‑line quality control. Using advanced imaging and analysis tools, the system identifies defects, verifies dimensions, and ensures consistent product quality across production runs.

Enhanced product quality
The LA‑BinPick Vision Cell automates the retrieval of randomly oriented parts using advanced 3D vision and adaptive gripping strategies. Designed for raw part handling and forging automation, it eliminates manual sorting and increases upstream efficiency.

LA‑SmartSort uses high‑speed machine vision to identify, classify, and route parts automatically. Designed for post‑process inspection and material handling, it integrates seamlessly with conveyors and robotic systems to streamline sorting operations.

For manufacturers seeking reliable, high‑performance automation, Linear Automation delivers proven vision and robotic systems engineered for demanding environments. Connect with PRI for product guidance and application support.
PRI offers the complete line of Rapid‑Air Servo Feeds, engineered for fast, precise, and repeatable coil feeding in stamping, fabrication, and automated production environments. Rapid‑Air’s redesigned servo platform uses modern manufacturing methods to deliver greater durability, lower maintenance, and improved performance—all while maintaining the rugged reliability the brand is known for.
Whether you’re feeding thin strip at high speed, heavy‑gauge coil into a progressive die, or running multi‑lane tooling, Rapid‑Air has a servo feed solution that fits your application.
Rapid‑Air servo feeds are built for demanding production environments where accuracy and uptime matter. Key advantages include:
Rapid‑Air offers several servo feed series, each designed for specific material widths, thicknesses, and performance requirements.
Ideal for thin, narrow strip requiring fast, accurate feeding.
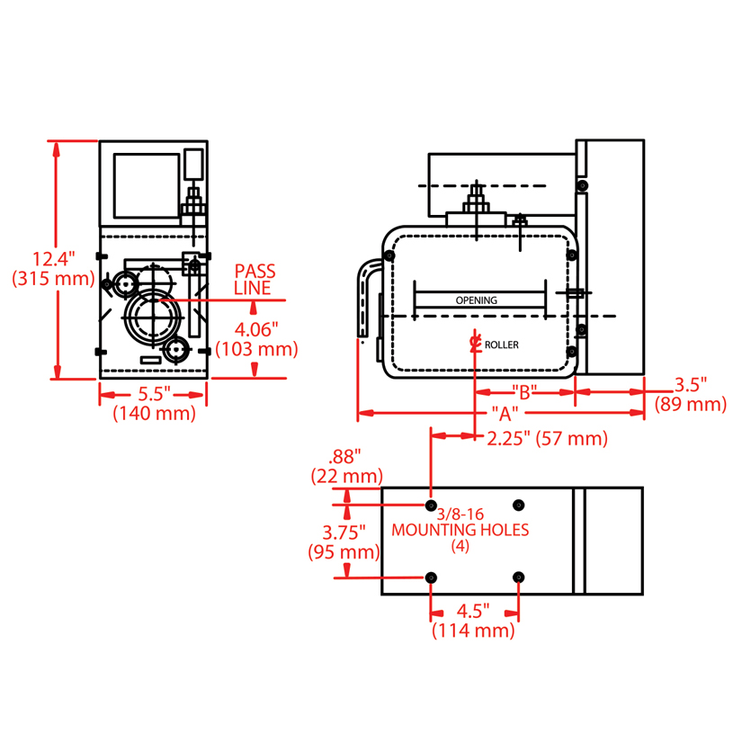
Model | Max Width | Max Thickness | Roll Opening | Roll Type | AC Input Power |
MS2 | 2" (51 mm) | .040" (1.02 mm) | .060" (1.52 mm) | Hardened & Ground | 115V, 1‑ph |
MS4 | 4" (102 mm) | .040" (1.02 mm) | .060" (1.52 mm) | Hardened & Ground | 115V, 1‑ph |
MS8 | 8" (203 mm) | .031" (.79 mm) | .060" (1.52 mm) | Hardened & Ground | 115V, 1‑ph |


Model | A | B | C | D | E |
MS2 | 3.50” (89mm) | 7.80” (198mm) | 8.50” (216mm) | 1.50” (38mm) | 3.00” (76mm) |
MS4 | 4.50” (114mm) | 9.80” (249mm) | 10.50” (267mm) | 1.50” (38mm) | 3.00” (76mm) |
MS8 | 6.50” (165mm) | 13.80” (351mm) | 14.50” (368mm) | 1.50” (38mm) | 3.00” (76mm) |
A dependable choice for thin to moderate materials requiring accuracy at moderate speeds.
Model | Max Width | Max Thickness | Roll Opening | Roll Type | AC Input Power |
106D | 6" (152 mm) | .085" (2.15 mm) | .150" (3.81 mm) | Hardened & Ground | 115V, 1‑ph |
112D | 12" (305 mm) | .060" (1.52 mm) | .150" (3.81 mm) | Hardened & Ground | 115V, 1‑ph |
118D | 18" (457 mm) | .045" (1.14 mm) | .150" (3.81 mm) | Hardened & Ground | 115V, 1‑ph |

A versatile option for moderate material thicknesses and widths.
Model | Max Width | Max Thickness | Roll Opening | Roll Type | AC Input Power |
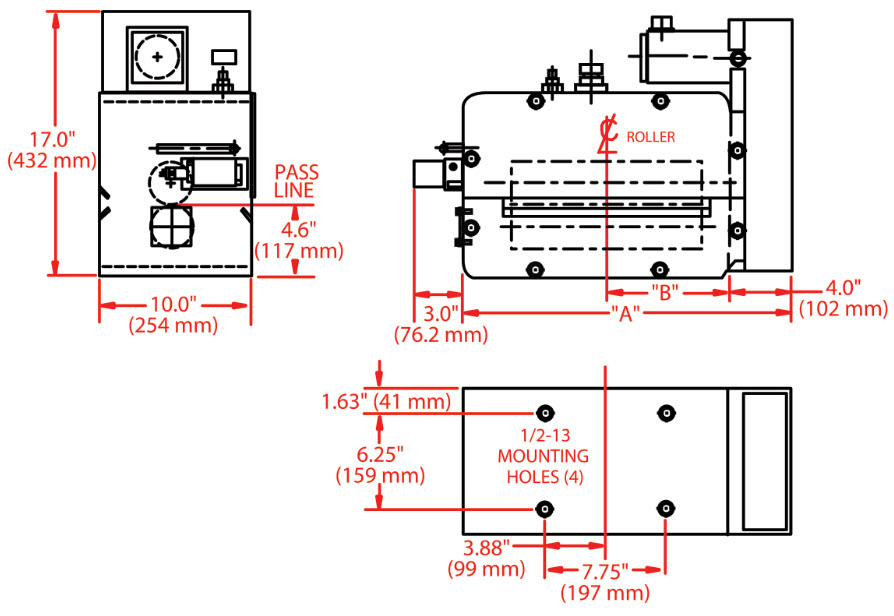
106T | 6" (152 mm) | .105" (2.66 mm) | .150" (3.81 mm) | Hardened & Ground | 230V, 3‑ph |
112T | 12" (305 mm) | .080" (2.03 mm) | .150" (3.81 mm) | Hardened & Ground | 230V, 3‑ph |
118T | 18" (457 mm) | .065" (1.65 mm) | .150" (3.81 mm) | Hardened & Ground | 230V, 3‑ph |


Model | A | B |
106D & T Servo | 14.7” (373mm) | 5.12” (130mm) |
112D & T Servo | 20.7” (526mm) | 8.12” (206mm) |
118D & T Servo | 26.7” (678mm) | 11.12” (282mm) |
Designed for heavier stock requiring more roll force and stability.
Model | Max Width | Max Thickness | Roll Opening | Roll Type | AC Input Power |
208T | 8" (203 mm) | .105" (2.66 mm) | .180" (4.57 mm) | Hardened & Ground | 230V, 3‑ph |
212T | 12" (305 mm) | .095" (2.41 mm) | .180" (4.57 mm) | Hardened & Ground | 230V, 3‑ph |
218T | 18" (457 mm) | .085" (2.15 mm) | .180" (4.57 mm) | Hardened & Ground | 230V, 3‑ph |
224T | 24" (610 mm) | .075" (1.91 mm) | .180" (4.57 mm) | Hardened & Ground | 230V, 3‑ph |
For applications requiring the highest torque and roll pressure.
Model | Max Width | Max Thickness | Roll Opening | Roll Type | AC Input Power |
208TX | 8" (203 mm) | .125" (3.18 mm) | .180" (4.57 mm) | Hardened & Ground | 230V, 3‑ph |
212TX | 12" (305 mm) | .125" (3.18 mm) | .180" (4.57 mm) | Hardened & Ground | 230V, 3‑ph |
218TX | 18" (457 mm) | .100" (2.54 mm) | .180" (4.57 mm) | Hardened & Ground | 230V, 3‑ph |
224TX | 24" (610 mm) | .100" (2.54 mm) | .180" (4.57 mm) | Hardened & Ground | 230V, 3‑ph |


Model | A | B |
208T & TX Servo | 17.0” (432mm) | 5.88” (149mm) |
212T & TX Servo | 21.0” (533mm) | 7.88” (200mm) |
218T & TX Servo | 27.0” (686mm) | 10.88” (276mm) |
224T & TX Servo | 33.0” (838mm) | 13.88” (352mm) |
A compact powerhouse for thick, high‑strength materials.
Model | Max Width | Max Thickness | Roll Opening | Roll Type | AC Input Power |
412T | 12" (305 mm) | .1875" (4.76 mm) | .250" (6.35 mm) | Hardened & Ground | 480V, 3‑ph |
Rapid‑Air also offers specialized servo‑driven systems for complex feeding requirements.
Perfect for nested parts, multi‑out dies, and applications requiring alternating pitch.
A strong choice for large progressive dies or wide‑strip applications.
Choosing the right servo feed depends on three key factors:

Rapid‑Air servo feeds deliver the accuracy, durability, and flexibility required for today’s pressrooms. PRI supports these systems because they offer:
Rapid‑Air Tandem Servo Feeds are engineered specifically for applications where thin, delicate, or highly flexible materials require controlled, buckle‑free feeding into a die. By synchronizing two servo feeds—one at the die entrance and one at the exit—the system maintains constant tension on the strip, ensuring smooth, accurate progression even at high production speeds.
This dual‑feed configuration is ideal for materials that would otherwise wrinkle, buckle, or misfeed when pushed by a single servo unit. Rapid‑Air’s simplified, modern servo architecture delivers rugged reliability, fast job changeover, and low maintenance, making these tandem systems a smart choice for precision pressrooms.
Specifications sourced from the Rapid‑Air Tandem Servo Feed page .
Designed for narrow, thin, and delicate materials.
Model | Max Width | Max Thickness | Roll Opening | Roll Type | Power |
TSMS2 | 2 in (51 mm) | 0.040 in (1.02 mm) | 0.060 in (1.52 mm) | Hardened & Ground | 115V, 1‑ph |
TSMS4 | 4 in (102 mm) | 0.040 in (1.02 mm) | 0.060 in (1.52 mm) | Hardened & Ground | 115V, 1‑ph |
TSMS8 | 8 in (203 mm) | 0.031 in (0.79 mm) | 0.060 in (1.52 mm) | Hardened & Ground | 115V, 1‑ph |
For wider materials requiring greater thickness capacity.
Model | Max Width | Max Thickness | Roll Opening | Roll Type | Power |
T106D | 6 in (152 mm) | 0.085 in (2.15 mm) | 0.150 in (3.81 mm) | Hardened & Ground | 115V, 1‑ph |
T112D | 12 in (305 mm) | 0.060 in (1.52 mm) | 0.150 in (3.81 mm) | Hardened & Ground | 115V, 1‑ph |
T118D | 18 in (457 mm) | 0.045 in (1.14 mm) | 0.150 in (3.81 mm) | Hardened & Ground | 115V, 1‑ph |
Higher‑capacity models for thicker materials and more demanding applications.
Model | Max Width | Max Thickness | Roll Opening | Roll Type | Power |
T106T | 6 in (152 mm) | 0.105 in (2.66 mm) | 0.150 in (3.81 mm) | Hardened & Ground | 230V, 3‑ph |
T112T | 12 in (305 mm) | 0.080 in (2.03 mm) | 0.150 in (3.81 mm) | Hardened & Ground | 230V, 3‑ph |
T118T | 18 in (457 mm) | 0.065 in (1.65 mm) | 0.150 in (3.81 mm) | Hardened & Ground | 230V, 3‑ph |
Maximum strength for wide, thick, or difficult‑to‑control materials.
Model | Max Width | Max Thickness | Roll Opening | Roll Type | Power |
T208T | 8 in (203 mm) | 0.105 in (2.66 mm) | 0.180 in (4.57 mm) | Hardened & Ground | 230V, 3‑ph |
T212T | 12 in (305 mm) | 0.095 in (2.41 mm) | 0.180 in (4.57 mm) | Hardened & Ground | 230V, 3‑ph |
T218T | 18 in (457 mm) | 0.085 in (2.15 mm) | 0.180 in (4.57 mm) | Hardened & Ground | 230V, 3‑ph |
T224T | 24 in (610 mm) | 0.075 in (1.91 mm) | 0.180 in (4.57 mm) | Hardened & Ground | 230V, 3‑ph |
Rapid‑Air Tandem Servo Feeds are ideal for:
Rapid‑Air’s servo technology is known for its rugged reliability, compact footprint, and low maintenance requirements. The tandem configuration adds a layer of control and stability that single‑feed systems cannot match, making it the preferred solution for challenging thin‑stock applications.
Colt Servo Roll Feeders are engineered for precision feeding in demanding, high‑speed production environments. Built in light‑, medium‑, heavy‑, and extra‑heavy‑duty configurations, Colt feeders deliver exceptional accuracy, rigidity, and long‑term reliability. With advanced servo drive technology, premium roll materials, and optional automation features, Colt feeders are designed to integrate seamlessly into modern pressrooms.
Below is a PRI‑style breakdown of each model family, followed by a consolidated specification table.
Model: CERF‑25
Model: CERF‑40 (4‑Roll)
Model: CERF‑60
Model: CERF‑80
Model | Duty Class | Min Width | Max Width | Feed Rolls | Pinch Roll Diameter | Feed Accuracy | Roll Material | Notes |
CERF‑25 | Light‑Duty | 6 in. (150 mm) | 36 in. (1220 mm) | 2 | 2.5 in. (63.5 mm) | 0.001 in. | 52100 RC 60–64 | Compact, high‑precision |
CERF‑40 | Medium‑Duty | 6 in. (150 mm) | 72 in. (1830 mm) | 2 (4‑roll design) | 4 in. (100 mm) | 0.002 in. | 52100 RC 60–64 | High‑speed option to 500 FPM |
CERF‑60 | Heavy‑Duty | 6 in. (150 mm) | 84 in. (2135 mm) | 2 | 6 in. (150 mm) | 0.002 in. | 52100 RC 60–64 | 7/9‑roll options, hydraulic piloting |
CERF‑80 | Extra‑Heavy‑Duty | 24 in. (610 mm) | 84 in. (2135 mm) | 2 | 8 in. (200 mm) | 0.002 in. | 52100 RC 60–64 | For wide/THICK materials, hydraulic piloting |
Colt Automation has a long‑standing reputation for building some of the most rugged, accurate, and technologically advanced coil‑feeding systems in the industry. Their servo feeders combine:
This makes Colt feeders an excellent fit for pressrooms running AHSS, wide coil, high‑speed progressive dies, or automated material‑handling systems.
PRE Servo Feeds deliver industrial‑grade precision, durability, and control for coil‑fed stamping and fabrication operations. Built for demanding production environments, these feeds combine rugged mechanical construction with advanced servo technology to ensure consistent, accurate material handling at any speed.
Designed for seamless integration with existing press equipment, PRE Servo Feeds offer exceptional flexibility, allowing manufacturers to optimize feed length, speed, and synchronization for maximum throughput and minimal downtime.
PRE Servo Feeds are engineered for a wide range of coil‑processing environments, including:
PRE equipment is known for rugged construction, long service life, and exceptional value. These servo feeds offer a rare combination of industrial durability, advanced control, and affordable pricing, making them a smart investment for manufacturers looking to optimize coil‑feeding performance without compromising reliability.
Production Resources Inc. supplies the complete line of Press Room Equipment (PRE) coil handling and feeding systems.


Serving North America
HEADQUARTERS
256 Seaboard Lane, Ste. B-104
Franklin, Tennessee 37067

© 2004-2026